Cdg Relay Wiring Diagram

Cdg Relay Wiring Diagram

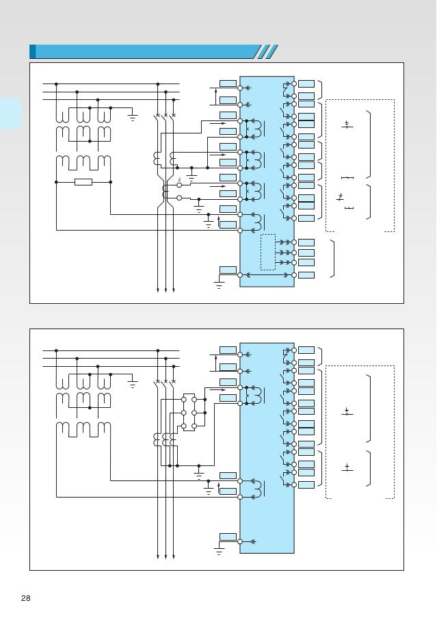
Radial Feeder Protection Panel Development

Alstom Over Current Earth Fault Protection Relay

P B Protection Relays Thermal P B Golds Relay P B P B

How To Make Connection For Overcurrent Relay Youtube

Protection And Relays Used In Main Circuit Board At A Power

Vaj Alstom Tripping Relay

Solid State Relay An Overview Sciencedirect Topics

Mitsubishi Numerical Protection Relay Melpro D Series

Solid State Relay An Overview Sciencedirect Topics

Practical Power Systems Protection For Engineers And Technicians

Share:

Posting Lainnya:

Disqus Comments