Boeing 777 Wiring Diagram Manual

Boeing 777 Wiring Diagram Manual

Mh370 I Hate Conspiracy Theories But What Can We Learn

Details About Boeing 737 Wiring Diagram Manuals A 4 Vol Set

Maintenance Manual B777 Boeing 777 Series Caa

Boeing Document Style Guide Ebook

916 Starfighter

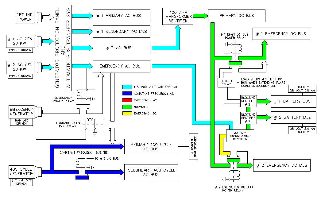
B777 System Wiring Diagram Pages 1 10 Text Version

My Analysis Of The Boeing 777 Fbw System Pmdg 777 The

Fuel System Schematic Manual Boeing 757 Boeing S Automatic

4493 Kawasaki Er 500 Wiring Diagram Wiring Resources

Boeing 777 Aircraft Fire Detection And Extinguishing System

Share:

Posting Lainnya:

Disqus Comments